Happy New Year. Kicked off the year with a new PCB design. This design is aimed at the ARMstamp and LPC1768mBed boards, as well as Arduino and PMod peripheral boards.
Power input with 5V regulator, RJ45 Ethernet and USB for the mBed. Terminal strips on the other end and a large prototyping area,
A bigger picture of the PCB. This PCB is compatible with Hammond 1455J120* or 1455K120* enclosure
All pins are connected in pairs, so hand wiring is a snap.

Here is a picture with all the options (cut and paste with Paint). pMod can mount vertically or horizontally in prototype area (power to 2 pins by default)

And with a Robotdyn SAMD21, or some Arduino Shield.

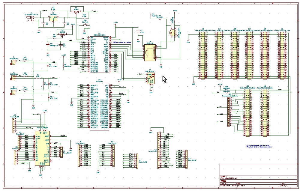
And the schematic, click here for a PDF.

Another KiCAD project completed,
And you can slide the project into one of the Hammond 1455J/K boxes, and cutomize the end caps.

